Filters

Annex I (Part-M)

GENERAL

M.1

Regulation (EU) 2020/270

For the purpose of this Part, the competent authority shall be:

1.for the oversight of the continuing airworthiness of individual aircraft and the issue of airworthiness review certificates the authority designated by the Member State of registry;

2.for the oversight of a maintenance organisation as specified in Section A, Subpart F of this Annex (Part-M):

(i)the authority designated by the Member State where that organisation's principle place of business is located;

(ii)the Agency if the organisation is located in a third country;

3.for the approval of aircraft maintenance programmes (‘AMP’), one of the following:

(i)the authority designated by the Member State of registry of the aircraft;

(ii)if prior to the approval of the aircraft maintenance programme the Member State of registry agrees, one of the following:

(a)the authority designated by the Member State where the operator has its principal place of business or, in case the operator has no principal place of business, the authority designated by the Member State where the operator has its place of establishment or where the operator resides;

(b)the authority responsible for the oversight of the organisation managing the continuing airworthiness of the aircraft or with which the owner has concluded a limited contract in accordance with point (i)(3) of point M.A.201.

4.for the oversight of a continuing airworthiness management organisation as specified in Section A, Subpart G of this Annex (Part-M):

(i)the authority designated by the Member State where that organisation's principle place of business is located if the approval is not included in an air operator's certificate;

(ii)the authority designated by the Member State of the operator if the approval is included in an air operator's certificate;

(iii)the Agency if the organisation is located in a third country.

AMC M.1

ED Decision 2015/029/R

A competent authority may be a ministry, a national aviation authority or any aviation body designated by the Member State and located within that Member State. A Member State may designate more than one competent authority to cover different areas of responsibility, as long as the designation decision contains a list of the competencies of each authority and there is only one competent authority responsible for each given area of responsibility.

GM1 M.1(3)(ii)

ED Decision 2022/017/R

TRANSFER OF RESPONSIBILITY FOR THE APPROVAL OF THE AIRCRAFT MAINTENANCE PROGRAMME

(a)The aircraft maintenance programme (AMP) may be approved by an authority other than the one designated by the Member State of registry of the aircraft when that Member State concludes a written contract with the Member State of the operator, of the continuing airworthiness management organisation (CAMO) or of the combined airworthiness organisation (CAO) if the conditions of point M.1.(3)(ii) apply. The written contract between the two Member States contains a reference to the aircraft and the competent authorities (CAs), as well as the terms and conditions for the transfer of responsibility between the CAs.

(b)If the responsibility for the approval of the AMP is transferred to the competent authority that is responsible for the CAMO or CAO, that AMP may be approved through an indirect approval procedure (see point M.A.302(c)) that the CAMO or CAO may have prior to the transfer unless otherwise specified by the terms and conditions for the transfer that are referred to in point (a).

SECTION A — TECHNICAL REQUIREMENTS

SUBPART A — GENERAL

M.A.101 Scope

Regulation (EU) 2019/1383

This Section establishes the measures to be taken to ensure that the airworthiness of aircraft is maintained, including its maintenance. It also specifies the conditions to be met by the persons or organisations involved in such activities.

SUBPART B — ACCOUNTABILITY

M.A.201 Responsibilities

Regulation (EU) 2019/1383

(a)The owner of the aircraft shall be responsible for the continuing airworthiness of aircraft and shall ensure that no flight takes place unless all of the following requirements are met:

(1)the aircraft is maintained in an airworthy condition;

(2)any operational and emergency equipment fitted is correctly installed and serviceable or clearly identified as unserviceable;

(3)the airworthiness certificate is valid;

(4)the maintenance of the aircraft is performed in accordance with the AMP specified in point M.A.302.

Regulation (EU) No 1321/2014

(b)When the aircraft is leased, the responsibilities of the owner are transferred to the lessee if:

(1)the lessee is stipulated on the registration document; or

(2)detailed in the leasing contract.

When reference is made in this Part to the ‘owner’, the term owner covers the owner or the lessee, as applicable.

Regulation (EU) No 1321/2014

(c)Any person or organisation performing maintenance shall be responsible for the tasks performed.

Regulation (EU) 2019/1383

(d)The pilot-in-command or, in the case of aircraft used by air carriers licensed in accordance with Regulation (EC) No 1008/2008, the operator, shall be responsible for the satisfactory accomplishment of the pre-flight inspection. That inspection shall be carried out by the pilot or another qualified person and shall not need to be carried out by an approved maintenance organisation or by certifying staff.

Regulation (EU) 2020/270

(e) No 1008/200826 the operator shall be responsible for the continuing airworthiness of the aircraft it operates and shall:

(1)ensure that no flight takes place unless the conditions set out in point (a) are met;

(2)take the necessary steps to ensure its approval as a continuing airworthiness management organisation (‘CAMO’) pursuant to Annex Vc (Part-CAMO) or Subpart G of this Annex (Part-M), as part of air operator certificate for the aircraft it operates;

(3)take the necessary steps to ensure its approval in accordance with Annex II (Part-145) or conclude a written contract in accordance with point CAMO.A.315(c) of Annex Vc (Part-CAMO) or point M.A.708(c) of this Annex (Part-M) with an organisation which has been approved in accordance with Annex II (Part-145).

Regulation (EU) 2022/410

(ea) grouping may use the same CAMO to assume the responsibility for the continuing airworthiness management of all the aircraft they operate, provided that all of the following requirements are met:

(1)the CAMO is approved in accordance with Annex Vc (Part-CAMO) for the aircraft to be managed;

(2)the CAMO forms part of the same air carrier business grouping as the operators concerned;

(3)a contract is established in accordance with Appendix I to this Annex between the CAMO and the AOC holder not itself approved as a CAMO;

(4)the CAMO has its principal place of business in the territory to which the Treaties apply;

(5)the individual management systems of the organisations concluding a contract are harmonised with each other.

Regulation (EU) 2022/410

(eb)By derogation to point (e)(2), when the termination or revocation of an air operator certificate results in a situation where an air carrier licensed in accordance with Regulation (EC) No 1008/2008 and forming part of an air carrier business grouping is no longer in compliance with point M.A.201(ea), that licensed air carrier shall define and implement an action plan to the satisfaction of the competent authority to comply with point M.A.201(e)(2) as soon as practicable.

Regulation (EU) 2020/270

(f)For complex motor-powered aircraft used for commercial specialised operations, for CAT operations other than those performed by air carriers licensed in accordance with Regulation (EC) No 1008/2008 or by commercial Approved Training Organisations (‘ATO’) and Declared Training Organisations (‘DTO’) referred to in Article 10a of Regulation (EU) No 1178/201127, the operator shall ensure that:

(1)no flight takes place unless the conditions set out in point (a) are met;

(2)the tasks associated with continuing airworthiness are performed by a CAMO approved in accordance with Annex Vc (Part-CAMO) or Subpart G of this Annex (Part-M); when the operator is not a CAMO approved in accordance with Annex Vc (Part-CAMO) or Subpart G of this Annex (Part-M), it shall conclude a written contract as regards the performance of those tasks in accordance with Appendix I to this Annex with an organisation approved in accordance with Annex Vc (Part-CAMO) or Subpart G of this Annex (Part-M);

(3)the CAMO referred to in point (2) is approved in accordance with Annex II (Part-145) as an organisation to qualify for the issue of an approval for the maintenance of aircraft and of components for installation thereon, or that CAMO has concluded a written contract in accordance with point CAMO.A.315(c) of Annex Vc (Part-CAMO) or point M.A.708(c) of this Annex (Part-M) with organisations approved in accordance with Annex II (Part-145).

Regulation (EU) 2020/270

(g)For complex motor-powered aircraft not included in points (e) and (f), the owner shall ensure that:

(1)no flight takes place unless the conditions set out in point (a) are met;

(2)the tasks associated with continuing airworthiness are performed by a CAMO approved in accordance with Annex Vc (Part-CAMO) or Subpart G of this Annex (Part-M); when the owner is not a CAMO approved in accordance with Annex Vc (Part-CAMO) or Subpart G of this Annex (Part-M), it shall conclude a written contract as regards the performance of those tasks in accordance with Appendix I to this Annex with an organisation approved in accordance with Annex Vc (Part-CAMO) or Subpart G of this Annex (Part-M);

(3)the CAMO referred to in point (2) is approved in accordance with Annex II (Part-145) as an organisation to qualify for the issue of an approval for the maintenance of aircraft and of components for installation thereon, or that CAMO has concluded a written contract in accordance with point CAMO.A.315(c) of Annex Vc (Part-CAMO) or point M.A.708(c) of this Annex (Part-M) with organisations approved in accordance with Annex II (Part-145).

Regulation (EU) 2021/700

(h)For aircraft other than complex motor-powered aircraft used for commercial specialised operations or for CAT operations other than those performed by air carriers licensed in accordance with Regulation (EC) No 1008/2008, or by commercial ATOs and commercial DTOs referred to in Article 10a of Regulation (EU) No 1178/2011, the operator shall ensure that:

(1)no flight takes place unless the conditions set out in point (a) are met;

(2)the tasks associated with continuing airworthiness are performed by a CAMO approved in accordance with Annex Vc (Part-CAMO) or Subpart G of this Annex (Part-M), or a combined airworthiness organisation (‘CAO’) approved in accordance with Annex Vd (Part-CAO); when the operator is not a CAMO approved in accordance with Annex Vc (Part-CAMO) or Subpart G of this Annex (Part-M), or a CAO approved in accordance with Annex Vd (Part-CAO), it shall conclude a written contract in accordance with Appendix I to this Annex with a CAMO approved in accordance with Annex Vc (Part-CAMO) or Subpart G of this Annex (Part-M), or a CAO approved in accordance with Annex Vd (Part-CAO);

(3)the CAMO or CAO referred to in point (2) is approved in accordance with Annex II (Part-145) or in accordance with Subpart F of this Annex (Part-M) or as a CAO with maintenance privileges, or that CAMO or CAO has concluded a written contract with organisations approved in accordance with Annex II (Part-145) or in accordance with Subpart F of this Annex (Part-M) or Annex Vd (Part-CAO) with maintenance privileges.

Regulation (EU) 2020/270

For aircraft other than complex motor-powered aircraft not included in points (e) and (h), or used for limited operations, the owner shall ensure that flight takes place only if the conditions set out in point (a) are met. To that end, the owner shall:

(1)attribute the continuing airworthiness tasks referred to in point M.A.301 to a CAMO or CAO through a written contract concluded in accordance with Appendix I; or

(2)carry out those tasks himself; or

(3)carry out those tasks himself except the tasks of the development of and the processing of the approval of the AMP, only if those tasks are performed by a CAMO or CAO through a limited contract concluded in accordance with point M.A.302.

Regulation (EU) 2015/1536

(j)The owner/operator shall ensure that any person authorised by the competent authority is granted access to any of its facilities, aircraft or documents related to its activities, including any subcontracted activities, to determine compliance with this Part.

Regulation (EU) 2020/270

(k)Where an aircraft included in an air operator certificate is used for non-commercial operations or specialised operations under point ORO.GEN.310 of Annex III or point NCO.GEN.104 of Annex VII to Regulation (EU) No 965/2012, the operator shall ensure that the tasks associated with continuing airworthiness are performed by the CAMO approved in accordance with Annex Vc (Part-CAMO) or Subpart G of this Annex (Part-M) or the combined airworthiness organisation (“CAO”) approved in accordance with Annex Vd (Part-CAO), whichever applicable, of the air operator certificate holder.

GM M.A.201 Responsibilities

ED Decision 2022/017/R

QUICK SUMMARY TABLE

Select your type of operation
and your category of aircraft

Complex
motor-powered aircraft

Other-than-complex motor-powered aircraft (aircraft subject to Part ML

are excluded here)

Is a CAMO or CAO required for the management of continuing airworthiness?

Is maintenance by a maintenance organisation required?

Is a CAMO or CAO required for the management of continuing airworthiness?

Is maintenance by a maintenance organisation required?

Commercial operations

CAT

Air carriers licensed in accordance with Regulation (EC) No 1008/2008

Yes, a CAMO is required.

It shall be part of the AOC

(M.A.201(e)) unless point M.A.201(ea) applies.

Yes, maintenance by a Part-145 organisation is required

(M.A.201(e))

Yes, a CAMO is required.

It shall be part of the AOC

(M.A.201(e)) unless point M.A.201(ea) applies.

Yes, maintenance by a Part-145 organisation is required

(M.A.201(e))

CAT other than air carriers licensed in accordance with Regulation (EC) No 1008/2008

Yes, a CAMO is required

(M.A.201(f))

Yes, maintenance by a Part-145 organisation is required

(M.A.201(f))

Yes, a CAMO or CAO is required

(M.A.201(h))

Yes, maintenance by a Subpart F, by a Part-CAO or by a Part-145 organisation is required

(M.A.201(h))

Commercial operations other than CAT

Commercial specialised operations

Yes, a CAMO is required

(M.A.201(f))

Yes, maintenance by a Part-145 organisation is required

(M.A.201(f))

Yes, a CAMO or CAO is required

(M.A.201(h))

Yes, maintenance by a Subpart F, by a Part-CAO or by a Part-145 organisation is required

(M.A.201(h))

Commercial training organisations (ATOs)

Yes, a CAMO is required

(M.A.201(f))

Yes, maintenance by a Part-145 organisation is required

(M.A.201(f))

Yes, a CAMO or CAO is required

(M.A.201(h))

Yes, maintenance by a Subpart F, by a Part-CAO or by a Part-145 organisation is required

(M.A.201(h))

Other than commercial operations including limited operations as defined in Article 2(p)

Yes, a CAMO is required

(M.A.201(g))

Yes, maintenance by a Part-145 organisation is required

(M.A.201(g))

No, a CAMO or CAO is not required

(M.A.201(i))

No, maintenance by a Subpart F, by a Part-CAO or Part-145 organisation is not always required

(M.A.201(i))

GM M.A.201(e) Responsibilities

ED Decision 2016/011/R

The performance of ground de-icing and anti-icing activities does not require a Part-145 maintenance organisation approval. Nevertheless, inspections required to detect and, when necessary, remove de-icing and/or anti-icing fluid residues are considered maintenance. Such inspections may only be carried out by suitably authorised personnel.

AMC M.A.201(e)(2) Responsibilities

ED Decision 2016/011/R

1.An air carrier licensed in accordance with Regulation (EC) No 1008/2008 only needs to hold a CAMO approval as part of its air operator certificate (AOC) for the management of the continuing airworthiness of the aircraft listed on its AOC. The approval to carry out airworthiness reviews is optional.

2.Part-M does not provide for CAMOs to be independently approved to perform continuing airworthiness management tasks on behalf of air carriers licensed in accordance with Regulation (EC) No 1008/2008. The approval of such activity is vested in the (AOC).

3.The operator is ultimately responsible and, therefore, accountable for the airworthiness of its aircraft.

AMC1 M.A.201(ea) Responsibilities

ED Decision 2022/017/R

HARMONISATION OF THE MANAGEMENT SYSTEMS

(a)The harmonised management systems of the organisations that conclude a contract should encompass safety by including the following elements:

(1)A forum to share the results and conclusions of the safety review boards (SRBs) of each organisation, which should be attended by the accountable managers, safety managers, and any other relevant nominated person(s). That forum may for example take the form of regular joint meetings of the organisations’ SRBs.

(2)Regular exchange between the organisations of the results and conclusions of the compliance monitoring function as well as of the results of the oversight of each organisation by the CA(s). The exchange of information on compliance monitoring and oversight provides for awareness, analysis, and hazard identification.

(3)A common or consistent safety policy and its related safety objectives.

Note: establishing common or consistent safety objectives does not prevent the organisation(s) from defining additional and/or specific safety objectives to adapt to the local environment/specificities/operations and/or to the organisation safety performance, as applicable.

(4)Common or consistent safety management key processes (see AMC1 CAMO.A.200(a)(3) ‘Management system’) that are established by the CAMO and its contracting operators unless those processes relate to activities or procedures that are specific to one of those organisations (e.g. fatigue risk management system (FRMS)).

(5)A cooperation mechanism to ensure prompt reaction when one of the organisations shares some serious concerns with another organisation.

(6)A cooperation mechanism to ensure proper actions are coordinated at group level if there are findings at one organisation, which affect the harmonisation of the management systems.

(7)A cooperation mechanism with the operator(s) to manage the changes in the harmonised elements of the management systems in such a way that those changes produce their effect at the same time.

(b)The CAMO/operator(s)’ procedures should describe how the interface and harmonisation between the management systems are achieved, and specify the records to be retained in respect of the harmonisation of the management systems.

AMC2 M.A.201(ea) Responsibilities

ED Decision 2022/017/R

To ensure that all parties involved can fulfil their responsibilities, all manuals, procedures, and communication between them should be, at least, in one common language, e.g. English, when the CAMO manages the continuing airworthiness of aircraft registered in (a) different Member State(s) than its principal place of business. Parties involved include the competent authority(ies) with which that common language should be agreed upon.

GM1 M.A.201(ea) Responsibilities

ED Decision 2022/017/R

HARMONISATION OF THE MANAGEMENT SYSTEMS — GROUP STANDARDS AND CHANGES THERETO

(a)Depending on the size of the single air carrier business grouping and on the nature and complexity of its activities, an efficient way of harmonising the management systems of the organisations is by collectively developing group standards that are endorsed by a group management board or similar group governance body. Such group standards may include provisions for the monitoring of the obligations of the parties that have signed the contract established in accordance with Appendix I to Annex I (Part-M) to Regulation (EU) No 1321/2014.

(b)The group management board or similar group governance body is composed of the accountable managers of the organisations and a coordinating member. The names of the board members are included directly, or by reference to a common document, in the contract, and are updated in the respective document in case of change in personnel.

(c)The coordinating member may be one of the accountable managers or another person. As a consequence of applying point M.A.201(ea) is that several operators will use the same CAMO, the group management board may consider having as coordinating member one employee of that CAMO. The role of the coordinating member includes, but is not limited to the following:

ensuring that all perspectives are considered;

defining the by-laws of the board and ensuring they are complied with;

coordinating decision-making;

ensuring that the documentation is updated;

ensuring the review of the group standards;

ensuring the regular exchange of communication and that meetings take place; and

coordinating the integration of an organisation into, or, if applicable, its departure from, the business grouping.

(d)The group standards can be documented either:

in a common document that is cross-referenced in the continuing airworthiness management contract that is required by point M.A.201(ea); or

in the exposition/manual of each organisation, in which case the continuing airworthiness management contract that is required by point M.A.201(ea) should cross-reference the relevant part of the organisations’ expositions/manuals; or

in the continuing airworthiness management contract that is required by point M.A.201(ea).

(e)In particular, the group standards include:

methods and procedures to address the safety management key processes;

identification of the different operators and the CAMO;

identification and contact details of the members of the group management board or of the similar group governance body; and

management of the changes that affect the group standards, e.g. consultation process.

GM2 M.A.201(ea) Responsibilities

ED Decision 2022/017/R

AIR CARRIER BUSINESS GROUPING

(a)In the framework of Regulation (EU) No 1321/2014, ‘a single air carrier business grouping’ means a controlling undertaking and its controlled undertakings. All those undertakings are located in the territory to which the Treaties apply.

The controlling undertaking exercises directly or indirectly a dominant influence over the controlled undertaking by virtue of ownership, financial participation, right to appoint management or a supervisory body, the rules that govern it, or other.

The controlled and controlling undertakings include air carriers licensed in accordance with Regulation (EC) 1008/200828 as well as one or more organisations that are approved in accordance with Annex Vc (Part-CAMO) to Regulation (EU) No 1321/2014.

In the frame of Community-scale groups of undertakings, Article 3 of Directive 2009/38/EC29 provides additional information about controlling undertakings, which can also be suitable to national-scale groups of undertakings.

(b)Each approved organisation is responsible for its management system, even if they follow common group standards, policies, or procedures. The accountability of each approved organisation, as defined by the relevant EU regulation, is not affected by being part of a single air carrier business grouping. The air carrier remains ultimately responsible for the continuing airworthiness of the aircraft it operates even if the operator decides to contract the continuing airworthiness management to a CAMO. In that case, the operator is no longer responsible for performing the continuing airworthiness tasks, as that responsibility is transferred to the contracted CAMO. The operator keeps the responsibility to fulfil the requirements in the EU regulations, e.g. to assess the CAMO to ensure that it has the capability and capacity to comply with the contract (see Part-M, Appendix I, point 7).

GM3 M.A.201(ea) Responsibilities

ED Decision 2022/017/R

CONFIGURATIONS

(a)Each AOC holder of a single air carrier business grouping may choose either to remain an approved CAMO itself (in accordance with point M.A.201(e)(2)) or to contract a CAMO (in accordance with point M.A.201(ea)).

(b)The following schemes illustrate possible examples of configurations:

Picture 1

Each AOC holder has a contract with the CAMO in accordance with point M.A.201(ea).

Picture 2

AOC 1, AOC 2, and AOC 3 holders have a contract with CAMO 4 each (in accordance with point M.A.201(ea)); CAMO 4 is integrated into AOC 4 (in accordance with point M.A.201(e)(2)).

Picture 3

AOC 1, AOC 2, and AOC 3 have a contract with a CAMO each (in accordance with point M.A.201(ea)); CAMO 4 is integrated into AOC 4 (in accordance with point M.A.201(e)(2)).

Picture 5

AOC 1 has a contract with CAMO 2 (in accordance with point M.A.201(ea)), AOC 3 has a contract with CAMO 4 (in accordance with point M.A.201(ea)), while CAMO 2 and CAMO 4 remain respectively integrated into AOC 2 and AOC 4 (in accordance with point M.A.201(e)(2)).

Picture 10

AOC 1 and AOC 2 have a contract with CAMO 1 each (in accordance with point M.A.201(ea)); AOC3 and AOC4 have a contract with CAMO 2 each (in accordance with point M.A.201(ea)).

Picture 11

AOC 1 has a contract with CAMO 2 (in accordance with point M.A.201(ea)); CAMO 2 remains integrated into AOC 2 (in accordance with point M.A.201(e)(2)).

(c)The following schemes illustrate examples of configurations that are not compliant with point M.A.201(ea) (non exhaustive list):

Picture 4

This configuration is not compliant with point  because only one AOC (i.e. AOC 1) uses the contracted CAMO.

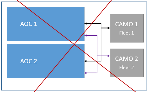
Picture 8

This configuration is not compliant with point  because only one AOC (i.e. AOC 3) uses the contracted CAMO (i.e. CAMO 2).

Picture 9

This configuration is not compliant with point  because CAMO 1 is not contracted by the AOC holders (i.e. AOC 1 and AOC 2) for all the aircraft they operate.

Picture 15

This configuration is not compliant with point  because CAMO 1 is not contracted by AOC 3 for all the aircraft it operates.

GM M.A.201(i) Aircraft maintenance programme

ED Decision 2016/011/R

If an owner decides not to make a contract in accordance with M.A.201(i), the owner is fully responsible for the proper accomplishment of the corresponding tasks. As a consequence, it is recommended that the owner properly self-assesses his/her own competence to accomplish them or otherwise seeks the proper expertise.

AMC M.A.201(i)(3) Responsibilities

ED Decision 2020/002/R

LIMITED CONTRACT FOR THE DEVELOPMENT OF THE AMP

The limited contract for the development and, when applicable, processing of the approval of the aircraft maintenance programme should cover the responsibilities related to M.A.302(d), M.A.302(f) and M.A.302(h).

GM1 M.A.201(k) Responsibilities

ED Decision 2020/002/R

USE OF AIRCRAFT INCLUDED IN AN AOC FOR NCO OR SPO

As point (k) is not a derogation from the previous points of M.A.201, points M.A.201(f), (g), (h) and (i) are still applicable.

M.A.202 Occurrence reporting

Regulation (EU) 2019/1383

(a)Without prejudice to the reporting requirements set out in Annex II (Part-145) and Annex Vc (Part-CAMO), any person or organisation responsible in accordance with point M.A.201 shall report any identified condition of an aircraft or component which endangers flight safety to:

(1)the competent authority designated by the Member State of registry of the aircraft, and, when different to the Member State of registry, to the competent authority designated by the Member State of the operator;

(2)to the organisation responsible for the type design or supplemental type design.

(b)The reports referred to in point (a) shall be made in a manner determined by the competent authority referred to in point (a) and shall contain all pertinent information about the condition known to the person or organisation making the report.

(c)Where the maintenance or the airworthiness review of the aircraft is carried out on the basis of a written contract, the person or the organisation responsible for those activities shall also report any condition referred to in point (a) to the owner and the operator of the aircraft and, when different, to the CAMO or CAO concerned.

(d)The person or organisation shall submit the reports referred to in points (a) and (c) as soon as possible, but no later than 72 hours from the moment when the person or organisation identified the condition to which the report relates, unless exceptional circumstances prevent this.

(e)The person or organisation shall submit a follow-up report, providing details of actions which that person or organisation intends to take to prevent similar occurrences in the future, as soon as those actions have been identified. The follow-up report shall be submitted in a form and manner established by the competent authority.

AMC M.A.202(a) Occurrence reporting

ED Decision 2023/013/R

Accountable persons or organisations should ensure that the type certificate (TC) holder or the declarant of a declaration of design compliance receives adequate reports of occurrences for that aircraft type, to enable it to issue appropriate service instructions and recommendations to all owners or operators.

Liaison with the TC holder or the declarant of a declaration of design compliance is recommended to establish whether published or proposed service information will resolve a problem or to obtain a solution to a particular problem.

An approved continuing airworthiness management or maintenance organisation should assign responsibility for co-ordinating action on airworthiness occurrences and for initiating any necessary further investigation and follow-up activity to a suitably qualified person with clearly defined authority and status.

In respect of maintenance, reporting a condition which endangers flight safety is normally limited to:

serious cracks, permanent deformation, burning or serious corrosion of structure found during scheduled maintenance of the aircraft or component.

failure of any emergency system during scheduled testing.

AMC M.A.202(b) Occurrence reporting

ED Decision 2015/029/R

The reports may be transmitted by any method, i.e. electronically, by post or by facsimile.

Each report should contain at least the following information:

reporter or organisation’s name and approval reference if applicable,

information necessary to identify the subject aircraft and/or component,

date and time relative to any life or overhaul limitation in terms of flying hours/cycles/landings etc., as appropriate,

details of the occurrence.

AMC 20-8 General Acceptable Means of Compliance for Airworthiness of Products, Parts and Appliances provides further guidance on occurrence reporting.

SUBPART C — CONTINUING AIRWORTHINESS

M.A.301 Continuing airworthiness tasks

Regulation (EU) 2019/1383

The aircraft continuing airworthiness and the serviceability of operational and emergency equipment shall be ensured by:

(a)the accomplishment of pre-flight inspections;

(b)the rectification of any defect and damage affecting safe operation in accordance with data specified in points M.A.304 and M.A.401, as applicable, while taking into account the minimum equipment list (‘MEL’) and configuration deviation list, when they exist;

(c)the accomplishment of all maintenance in accordance with the AMP referred to in point M.A.302;

(d)the release of all maintenance in accordance with Subpart H;

(e)for all complex motor-powered aircraft or aircraft used by air carriers licensed in accordance with Regulation (EC) No 1008/2008, the analysis of the effectiveness of the approved AMP referred to in point M.A.302;

(f)the accomplishment of any applicable:

(1)airworthiness directive (AD);

(2)operational directive with a continuing airworthiness impact;

(3)continuing airworthiness requirement established by the Agency;

(4)measures required by the competent authority in immediate reaction to a safety problem;

(g)the accomplishment of modifications and repairs in accordance with point M.A.304;

(h)delivering to the pilot-in-command, or to the operator in the case of air carriers licensed in accordance with Regulation (EC) No 1008/2008, the mass and balance statement reflecting the current configuration of the aircraft;

(i)maintenance check flights, when necessary.

AMC M.A.301(a) Continuing airworthiness tasks

ED Decision 2020/002/R

PRE-FLIGHT INSPECTIONS

1.With regard to the pre-flight inspection, it is intended to mean all of the actions necessary to ensure that the aircraft is fit to make the intended flight. These should typically include but are not necessarily limited to:

(a)a walk-around type inspection of the aircraft and its emergency equipment for condition including, in particular, any obvious signs of wear, damage or leakage. In addition, the presence of all required equipment including emergency equipment should be established.

(b)an inspection of the aircraft continuing airworthiness record system or the aircraft technical log system, as applicable, to ensure that the intended flight is not adversely affected by any outstanding deferred defects and that no required maintenance action shown in the maintenance statement is overdue or will become due during the flight.

(c)a control that consumable fluids, gases etc. uplifted prior to flight are of the correct specification, free from contamination, and correctly recorded.

(d)a control that all doors are securely fastened.

(e)a control that control surface and landing gear locks, pitot/static covers, restraint devices and engine/aperture blanks have been removed.

(f)a control that all the aircraft’s external surfaces and engines are free from ice, snow, sand, dust etc. and an assessment to confirm that, as the result of meteorological conditions and de-icing/anti-icing fluids having been previously applied on it, there are no fluid residues that could endanger flight safety. Alternatively to this pre-flight assessment, when the type of aircraft and nature of operations allow for it, the build-up of residues may be controlled through scheduled maintenance inspections/cleanings identified in the approved maintenance programme.

2.Tasks such as oil and hydraulic fluid uplift and tyre inflation may be considered as part of the pre-flight inspection. The related pre-flight inspection instructions should address the procedures to determine where the necessary uplift or inflation results from an abnormal consumption and possibly requires additional maintenance action by the approved maintenance organisation or certifying staff as appropriate.

3.In the case of air carriers licensed in accordance with Regulation (EC) No 1008/2008, the CAMO should publish guidance to maintenance and flight personnel and any other personnel performing pre-flight inspection tasks, as appropriate, defining responsibilities for these actions and, where tasks are contracted to other organisations, how their accomplishment is subject to the quality system of M.A.712 or the management system required by CAMO.A.200. It should be demonstrated to the competent authority that pre-flight inspection personnel have received appropriate training for the relevant pre-flight inspection tasks. The training standard for personnel performing the pre-flight inspection should be described in the continuing airworthiness management exposition.

AMC M.A.301(b) Continuing airworthiness tasks

ED Decision 2020/002/R

1.The operator should have a system to ensure that all defects affecting the safe operation of the aircraft are rectified within the limits prescribed by the approved minimum equipment list (MEL), configuration deviation list (CDL) or maintenance data, as appropriate. Also that such defect rectification cannot be postponed unless agreed by the operator and in accordance with a procedure approved by the competent authority.

2.When deferring or carrying forward a defect rectification, the cumulative effect of a number of deferred or carried forward defects on a given aircraft and any restrictions contained in the MEL should be considered. Whenever possible, deferred defect rectification should be made known to the pilot/flight crew prior to their arrival at the aircraft.

3.In the case of aircraft used by air carriers licensed in accordance with Regulation (EC) No 1008/2008 and of complex motor-powered aircraft, a system of assessment should be in operation to support the continuing airworthiness of an aircraft and to provide a continuous analysis of the effectiveness of the CAMO defect control system in use.

The system should provide for:

(a)significant incidents and defects: monitor incidents and defects that have occurred in flight and defects found during maintenance and overhaul, highlighting any that appear significant in their own right.

(b)repetitive incidents and defects: monitor on a continuous basis defects occurring in flight and defects found during maintenance and overhaul, highlighting any that are repetitive.

(c)deferred and carried forward defects: Monitor on a continuous basis deferred and carried forward defects. Deferred defects are defined as those defects reported in operational service which are deferred for later rectification. Carried forward defects are defined as those defects arising during maintenance which are carried forward for rectification at a later maintenance input.

(d)unscheduled removals and system performance: analyse unscheduled component removals and the performance of aircraft systems for use as part of the maintenance programme efficiency.

AMC M.A.301(c) Continuing airworthiness tasks

ED Decision 2020/002/R

MAINTENANCE IN ACCORDANCE WITH THE AMP

The owner, CAO or CAMO, as applicable, should have a system to ensure that all aircraft maintenance checks are performed within the limits prescribed by the approved aircraft maintenance programme and that, whenever a maintenance check cannot be performed within the required time limit, its postponement is allowed in accordance with a procedure agreed by the appropriate competent authority.

AMC M.A.301(e) Continuing airworthiness tasks

ED Decision 2020/002/R

The CAMO managing the continuing airworthiness of the aircraft should have a system to analyse the effectiveness of the maintenance programme, with regard to spares, established defects, malfunctions and damage, and to amend the maintenance programme accordingly.

AMC M.A.301(f) Continuing airworthiness tasks

ED Decision 2020/002/R

OPERATIONAL DIRECTIVES

Operational directives with a continuing airworthiness impact include operating rules such as extended twin-engine operations (ETOPS) / long range operations (LROPS), reduced vertical separation minima (RVSM), MNPS, all-weather operations (AWOPS), RNAV, etc.

Any other continuing airworthiness requirement established by the Agency includes TC-related requirements such as: certification maintenance requirements (CMR), life-limited parts, airworthiness limitations contained in CS-25 Book 1, Appendix H, paragraph H25.4, fuel tank system airworthiness limitations including Critical Design Configuration Control Limitations (CDCCL), etc.

The operator is responsible for the incorporation of operational directives (ODs) and in cases where there is an impact on the continuing airworthiness, the CAMO has to assess this and take appropriate actions to ensure the continuing airworthiness. The process to incorporate the ODs should be detailed in an arrangement or common procedure.

GM M.A.301(i) Continuing airworthiness tasks

ED Decision 2023/013/R

MAINTENANCE CHECK FLIGHTS (MCFs)

(a)The definition of and operational requirements for MCFs are laid down in the Air Operations Regulation30 and are carried out under the control and responsibility of the aircraft operator. During the flight preparation, the flight and the post-flight activities as well as for the aircraft handover, the processes requiring the involvement of the maintenance organisations or their personnel should be agreed in advance with the operator. The operator should consult as necessary with the CAMO in charge of the airworthiness of the aircraft.

(b)Depending on the aircraft defect and the status of the maintenance activity performed before the flight, different scenarios are possible and are described below:

(1)The aircraft maintenance manual (AMM), or any other maintenance data issued by the design approval holder or the declarant of a declaration of design compliance, requires that an MCF be performed before completion of the maintenance ordered. In this scenario, a certificate after incomplete maintenance, when in compliance with M.A.801(f) or 145.A.50(e), should be issued by the maintenance organisation and the aircraft can be flown for this purpose under its airworthiness certificate. Due to incomplete maintenance, for aircraft used in commercial air transport, it is advisable to open a new entry on the aircraft technical log system to identify the need for an MCF. This new entry should contain or refer to, as necessary, data relevant to perform the MCF, such as aircraft limitations and any potential effect on operational and emergency equipment due to incomplete maintenance, maintenance data reference and maintenance actions to be performed after the flight. After a successful MCF, the maintenance records should be completed, the remaining maintenance actions finalised and the aircraft released to service in accordance with the maintenance organisation’s approved procedures.

(2)Based on its own experience and for reliability considerations and/or quality assurance, an operator or CAMO may wish to perform an MCF after the aircraft has undergone certain maintenance while maintenance data does not call for such a flight. Therefore, after the maintenance has been properly carried out, a certificate of release to service is issued and the aircraft airworthiness certificate remains valid for this flight.

(3)After troubleshooting of a system on the ground, an MCF is proposed by the maintenance organisation as confirmation that the solution applied has restored the normal system operation. During the maintenance performed, the maintenance instructions are followed for the complete restoration of the system and therefore a certificate of release to service is issued before the flight. The airworthiness certificate is valid for the flight. An open entry requesting this flight may be recorded in the aircraft technical log.

(4)An aircraft system has been found to fail, the dispatch of the aircraft is not possible in accordance with the maintenance data, and the satisfactory diagnosis of the cause of the fault can only be made in flight. The process for this troubleshooting is not described in the maintenance data and therefore scenario (1) does not apply. Since the aircraft cannot fly under its airworthiness certificate because it has not been released to service after maintenance, a permit to fly issued in accordance with Regulation (EU) No 748/2012 is required. After the flight and the corresponding maintenance work, the aircraft can be released to service and continue to operate under its original certificate of airworthiness.

(c)For certain MCFs the data obtained or verified in flight will be necessary for assessment or consideration after the flight by the maintenance organisation prior to issuing the maintenance release. For this purpose, when the personnel of the maintenance organisation cannot perform these functions in flight, the maintenance organisation may rely on the crew performing the flight to complete this data or to make statements about in-flight verifications. In this case, the maintenance organisation should appoint the crew personnel to play such a role on their behalf and, before the flight, brief appointed crew personnel on the scope, functions and the detailed process to be followed, including required reporting information after the flight and reporting means, in support of the final release to service to be issued by the certifying staff.

M.A.302 Aircraft maintenance programme

Regulation (EU) 2023/989

(a)Maintenance of each aircraft shall be organised in accordance with an AMP.

(b)The AMP and any subsequent amendments thereto shall be approved by the competent authority.

(c)When the continuing airworthiness of aircraft is managed by a CAMO or CAO, or when there is a limited contract between the owner and a CAMO or CAO concluded in accordance with point M.A.201(i)(3), the AMP and its amendments may be approved through an indirect approval procedure.

In that case, the indirect approval procedure shall be established by the CAMO or CAO concerned as part of the continuing airworthiness management exposition (‘CAME’) referred to in point CAMO.A.300 of Annex Vc or point M.A.704 of this Annex, or as part of the combined airworthiness exposition (‘CAE’) referred to in point CAO.A.025 of Annex Vd and shall be approved by the competent authority responsible for that CAMO or CAO.

The indirect approval procedure shall only be used when the CAMO or CAO concerned is under the oversight of the Member State of registry of aircraft, unless a written contract has been concluded in accordance with point 3 of point M.1 transferring responsibility for the approval of the aircraft maintenance programme to the competent authority responsible for the CAMO or CAO.

(d)The AMP shall demonstrate compliance with:

(1)the instructions issued by the competent authority;

(2)the instructions for continuing airworthiness:

(i)issued by the holders of the type certificate, restricted type certificate, supplemental type certificate, major repair design approval, ETSO authorisation or the declarant of a declaration of design compliance or the holder of any other relevant approval issued under Annex I (Part 21) or, as applicable, Annex Ib (Part 21 Light), to Regulation (EU) No 748/2012;

(ii)included in the certification specifications referred to in points 21.A.90B or 21.A.431B of Annex I (Part 21) to Regulation (EU) No 748/2012, if applicable;

(iii)included in the certification specifications referred to in points 21L.A.62, 21L.A.102, 21L.A.202 or 21L.A.222 of Annex Ib (Part 21 Light) to Regulation (EU) No 748/2012, if applicable;

(3)the applicable provisions of Annex I (Part-26) to Regulation (EU) 2015/640;

(e)By derogation to point (d), the owner or the organisation managing the continuing airworthiness of the aircraft may deviate from the instruction referred to in point (d)(2) and propose escalated intervals in the AMP, based on data obtained from sufficient reviews carried out in accordance with point (h). Indirect approval is not permitted for the escalation of safety-related tasks. The owner or the organisation managing the continuing airworthiness of the aircraft may also propose additional instructions in the AMP.

(f)The AMP shall contain details of all maintenance to be carried out, including frequency and any specific tasks linked to the type and specificity of operations.

(g)For complex motor-powered aircraft, when the AMP is based on maintenance steering group logic or on condition monitoring, the AMP shall include a reliability programme.

(h)The AMP shall be subject to periodic reviews and be amended accordingly when necessary. Those reviews shall ensure that the AMP continues to be up to date and valid in light of the operating experience and instructions from the competent authority, while taking into account new or modified maintenance instructions issued by the type-certificate and supplemental type-certificate holders, declarant of a declaration of design compliance and any other organisation that publishes such data in accordance with Annex I (Part 21) or, as applicable, Annex Ib (Part 21 Light) to Regulation (EU) No 748/2012.

AMC M.A.302 Aircraft maintenance programme

ED Decision 2023/013/R

BASIC PRINCIPLES

1.The term ‘maintenance programme’ is intended to include scheduled maintenance tasks the associated procedures and standard maintenance practises. The term ‘maintenance schedule’ is intended to embrace the scheduled maintenance tasks alone.

2.The aircraft should only be maintained to one approved maintenance programme at a given point in time. Where an owner or operator wishes to change from one approved programme to other, a transfer check or inspection may need to be performed in order to implement the change.

3.The details of the maintenance programme should be reviewed at least annually. As a minimum, revisions of documents affecting the programme basis need to be considered by the owner or operator for inclusion in the maintenance programme during the annual review. Applicable mandatory requirements for compliance with Part 21 or Part 21 Light should be incorporated into the aircraft maintenance programme as soon as possible.

4.The aircraft maintenance programme should contain a preface which will define the maintenance programme contents, the inspection standards to be applied, permitted variations to task frequencies and, where applicable, any procedure to manage the evolution of established check or inspection intervals.

5.Repetitive maintenance tasks derived from modifications and repairs should be incorporated into the approved maintenance programme.

6.Appendix I to AMC M.A.302 and AMC M.B.301(b) provide detailed information on the contents of an approved aircraft maintenance programme.

GM M.A.302(a) Aircraft Maintenance Programme

ED Decision 2016/011/R

A maintenance programme may indicate that it applies to several aircraft registrations as long as the maintenance programme clearly identifies the effectivity of the tasks and procedures that are not applicable to all of the listed registrations.

AMC M.A.302(d) Aircraft maintenance programme

ED Decision 2023/013/R

AMP BASIS AND ASSOCIATED PROGRAMMES

1.An aircraft maintenance programme should normally be based upon the maintenance review board (MRB) report where applicable, the maintenance planning document (MPD), the relevant chapters of the maintenance manual or any other maintenance data containing information on scheduling. Furthermore, an aircraft maintenance programme should also take into account any maintenance data containing information on scheduling for components.

2.Instructions issued by the competent authority can encompass all types of instructions from a specific task for a particular aircraft to complete recommended maintenance schedules for certain aircraft types that can be used by the owner/operator directly. These instructions may be issued by the competent authority in the following cases:

in the absence of specific recommendations of the Type Certificate Holder or the declarant of a declaration of design compliance.

to provide alternate instructions to those described in the subparagraph 1 above, with the objective of providing flexibility to the operator.

3.Where an aircraft type has been subjected to the MRB report process, an operator should normally develop the initial aircraft maintenance programme based upon the MRB report.

4.Where an aircraft is maintained in accordance with an aircraft maintenance programme based upon the MRB report process, any associated programme for the continuous surveillance of the reliability, or health monitoring of the aircraft should be considered as part of the aircraft maintenance programme.

5.Aircraft maintenance programmes for aircraft types subjected to the MRB report process should contain identification cross reference to the MRB report tasks such that it is always possible to relate such tasks to the current approved aircraft maintenance programme. This does not prevent the approved aircraft maintenance programme from being developed in the light of service experience to beyond the MRB report recommendations but will show the relationship to such recommendations.

6.Some approved aircraft maintenance programmes, not developed from the MRB process, utilise reliability programmes. Such reliability programmes should be considered as a part of the approved maintenance programme.

7.Alternate and/or additional instructions to those defined in points M.A.302(d)(1) and (2), proposed by the owner or the operator, may include but are not limited to the following:

Escalation of the interval for certain tasks based on reliability data or other supporting information. Appendix I to AMC M.A.302 and AMC M.B.301(b) recommends that the maintenance programme contains the corresponding escalation procedures. The escalation of these tasks is directly approved by the competent authority, except in the case of ALIs (Airworthiness Limitations), which are approved by the Agency.

More restrictive intervals than those proposed by the TC holder or the declarant of a declaration of design compliance as a result of the reliability data or because of a more stringent operational environment.

Additional tasks at the discretion of the operator.

AMC M.A.302(g) Aircraft maintenance programme

ED Decision 2020/002/R

RELIABILITY PROGRAMMES

1.Reliability programmes should be developed for aircraft maintenance programmes based upon maintenance steering group (MSG) logic or those that include condition monitored components or that do not contain overhaul time periods for all significant system components.

2.Reliability programmes need not be developed for aircraft not considered complex motor-powered aircraft or that contain overhaul time periods for all significant aircraft system components.

3.The purpose of a reliability programme is to ensure that the aircraft maintenance programme tasks are effective and their periodicity is adequate.

4.The reliability programme may result in the escalation or deletion of a maintenance task, as well as the de-escalation or addition of a maintenance task

5.A reliability programme provides an appropriate means of monitoring the effectiveness of the maintenance programme.

6.Appendix I to AMC M.A.302 and M.B.301(d) gives further guidance.

M.A.303 Airworthiness directives

Regulation (EU) No 1321/2014

Any applicable airworthiness directive must be carried out within the requirements of that airworthiness directive, unless otherwise specified by the Agency.

M.A.304 Data for modifications and repairs

Regulation (EU) 2022/1360

A person or organisation repairing an aircraft or a component, shall assess any damage. Modifications and repairs shall be carried out using, as appropriate, the following data:

(a)approved by the Agency;

(b)approved by a design organisation complying with Annex I (Part 21) to Regulation (EU) No 748/2012;

(c)contained in the requirements referred to in point 21.A.90B or 21.A.431B of Annex I (Part 21) to Regulation (EU) No 748/2012;

(d)contained in the requirements referred to in point 21L.A.62, 21L.A.102, 21L.A.202 or 21L.A.222 of Annex Ib (Part 21 Light) to Regulation (EU) No 748/2012;

(e)declared by a declarant of a declaration of design compliance complying with Annex Ib (Part 21 Light) to Regulation (EU) No 748/2012.

AMC M.A.304 Data for modifications and repairs

ED Decision 2023/013/R

A person or organisation repairing an aircraft or component should assess the damage against published approved or declared repair data and the action to be taken if the damage is beyond the limits or outside the scope of such data. This could involve any one or more of the following options: repair by replacement of damaged parts, requesting technical support from the type certificate holder, the declarant of a declaration of design compliance or from an organisation approved in accordance with Part 21 and finally Agency approval of the particular repair data.

M.A.305 Aircraft continuing airworthiness record system

Regulation (EU) 2022/1360

(a)At the completion of any maintenance, aircraft certificate of release to service (‘CRS’) required by point M.A.801 or point 145.A.50, as applicable, shall be entered in the aircraft continuing airworthiness record system, as soon as practicable and no later than 30 days after the completion of any maintenance.

(b)The aircraft continuing airworthiness record system shall contain the following:

1.the date of the entry, the total in-service life accumulated in the applicable parameter for aircraft, engine(s) and/or propeller(s);

2.the aircraft continuing airworthiness records described in points (c) and (d) below together with the supporting detailed maintenance records described in point (e) below;

3.if required by point M.A.306, the aircraft technical log.

(c)The aircraft continuing airworthiness records shall include the current mass and balance report and the current status of:

1.ADs and measures mandated by the competent authority in immediate reaction to a safety problem;

2.modifications and repairs;

3.compliance with the AMP;

4.deferred maintenance tasks and deferred defects rectification.

(d)The aircraft continuing airworthiness records shall include the current status specific to components of:

1.life-limited parts, including the life accumulated by each affected part in relation to the applicable airworthiness limitation parameter; and

2.time-controlled components, including the life accumulated by the affected components in the applicable parameter, since the last accomplishment of scheduled maintenance, as specified in the AMP.

(e)The owner or operator shall establish a system to keep the following documents and data in a form acceptable to the competent authority and for the periods specified below:

1.aircraft technical log system: the technical log or other data equivalent in scope and detail, covering the 36 months period prior to the last entry,

2.the CRS and detailed maintenance records:

(i)demonstrating compliance with ADs and measures mandated by the competent authority in immediate reaction to a safety problem applicable to the aircraft, engine(s), propeller(s) and components fitted thereto, as appropriate, until such time as the information contained therein is superseded by new information equivalent in scope and detail but covering a period not shorter than 36 months;

(ii)demonstrating compliance with the applicable data in accordance with point M.A.304 for current modifications and repairs to the aircraft, engine(s), propeller(s) and any component subject to airworthiness limitations; and

(iii)of all scheduled maintenance or other maintenance required for continuing airworthiness of aircraft, engine(s), propeller(s), as appropriate, until such time as the information contained therein is superseded by new information equivalent in scope and detail but covering a period not shorter than 36 months.

3.data specific to certain components:

(i)an in-service history record for each life-limited part based on which the current status of compliance with airworthiness limitations is determined;

(ii)the CRS and detailed maintenance records for the last accomplishment of any scheduled maintenance and any subsequent unscheduled maintenance of all life-limited parts and time-controlled components until the scheduled maintenance has been superseded by another scheduled maintenance of equivalent scope and detail but covering a period not shorter than 36 months;

(iii)the CRS and owner’s acceptance statement for any component that is fitted to an ELA2 aircraft without an EASA Form 1 in accordance with point 21.A.307(b)(2) of Annex I (Part 21) to Regulation (EU) No 748/2012 but covering a period not shorter than 36 months;

(iv)the CRS and owner’s acceptance statement for any component that is fitted to an aircraft without an EASA Form 1 in accordance with point 21L.A.193(b)(2) of Annex Ib (Part 21 Light) to Regulation (EU) No 748/2012 but covering a period not shorter than 36 months.

4.Record-keeping periods when the aircraft is permanently withdrawn from service:

(i)the data required by point (b)(1) of point M.A.305 in respect of aircraft, engine(s), and propeller(s) which shall be retained for at least 12 months;

(ii)the last effective status and reports as identified under points (c) and (d) of point M.A.305 which shall be retained for at least 12 months; and

(iii)the most recent CRS(s) and detailed maintenance records as identified under points (e)(2)(ii) and (e)(3)(i) of point M.A.305 which shall be retained for at least 12 months.

(f)The person or organisation responsible for the management of continuing airworthiness tasks pursuant to point M.A.201 shall comply with the requirements regarding the aircraft continuing airworthiness record system and present the records to the competent authority upon request.

(g)All entries made in the aircraft continuing airworthiness record system shall be clear and accurate. When it is necessary to correct an entry, the correction shall be made in a manner that clearly shows the original entry.

GM M.A.305 Aircraft continuing airworthiness record system

ED Decision 2022/011/R

(a)The aircraft continuing airworthiness records are the means to assess the airworthiness status of a product and its components. An aircraft continuing airworthiness record system includes the processes to keep and manage those records and should be proportionate to the subject aircraft. Aircraft continuing airworthiness records should provide the owner/CAO/CAMO of an aircraft with the information needed:

(1)to demonstrate that the aircraft is in compliance with the applicable airworthiness requirements; and

(2)to schedule all future maintenance as required by the aircraft maintenance programme based, if any, on the last accomplishment of the specific maintenance as recorded in the aircraft continuing airworthiness records.

(b)‘Applicable airworthiness limitation parameter’ and ‘applicable parameter’ refer to ‘flight hours’ and/or ‘flight cycles’ and/or ‘landings’ and/or ‘calendar time’, and/or any other applicable utilisation measurement unit, as appropriate.

(c)A ‘life-limited part’ is a part for which the maintenance schedule of the aircraft maintenance programme requires the permanent removal from service when, or before, the specified mandatory life limitation in accordance with Commission Regulation (EU) No 748/2012 if any of the applicable parameters is reached.

(d)The ‘current status’ when referring to components of life-limited parts should indicate, for each affected part, the life limitation, the total life accumulated in any applicable parameter (as appropriate) and the remaining life in any applicable parameter before the life limitation is reached.

(e)The term ‘time-controlled components’ embraces any component for which the maintenance schedule of the aircraft maintenance programme requires periodically the removal for maintenance to be performed in an appropriate approved organisation for maintenance in components (workshop) to return the component to a specified standard, the replacement of sub-components of the assembly by new ones, or the inspection or test of component’s performance, after a service period controlled at component level in accordance with the specified airworthiness limitation defined in accordance with Commission Regulation (EU) No 748/2012, in any of the applicable parameters.

(f)The ‘current status’ when referring to time controlled components refers to the current status of compliance with the required periodic maintenance task(s) from the maintenance schedule of the aircraft maintenance programme specific to the time-controlled components. It should include the life accumulated by the affected components in the applicable parameter, as appropriate, since the last accomplishment of scheduled maintenance specified in the maintenance schedule of the aircraft maintenance programme. Any action that alters the periodicity of the maintenance task(s) or changes the parameter of this periodicity should be recorded.

(g)‘Detailed maintenance records’ in this part refers to those records required to be kept by the person or organisation responsible for the aircraft continuing airworthiness in accordance with M.A.201 in order that they may be able to fulfil their obligations under Part M.

These are only a part of the detailed maintenance records required to be kept by a maintenance organisation under point M.A.614, CAO.A.090(a) or 145.A.55(a). Maintenance organisations are required to retain all detailed records to demonstrate that they worked in compliance with their respective requirements and quality procedures.

Not all records need to be transferred from the maintenance organisation to the person or organisation responsible for the aircraft continuing airworthiness in accordance with M.A.201 unless they specifically contain information relevant to aircraft configuration and future maintenance. Thus, incoming certificates of conformity, batch number references and individual task card sign-offs verified by and/or generated by the maintenance organisation are not required to be retained by the person or organisation responsible in accordance with M.A.201. However, dimensional information contained in the task card sign-off or work pack may be requested by the owner/CAO/CAMO in order to verify and demonstrate the effectiveness of the aircraft maintenance programme.

Information relevant to future maintenance may be contained in specific documents related to:

modifications;

airworthiness directives;

repaired and non-repaired damage;

components referred in M.A.305(d); and

measurements relating to defects.

(h)An airworthiness limitation is a boundary beyond which an aircraft or a component thereof must not be operated, unless the instruction(s) associated with this airworthiness limitation is (are) complied with.

(i)‘Other maintenance required for continuing airworthiness’ refers to unscheduled or out-of-phase maintenance due to abnormal or particular conditions or events with an impact on the continuing airworthiness of the aircraft at the time of its return to service. It is not intended to request every single condition described in the maintenance data, e.g. Aircraft Maintenance Manual Chapter 5, but just those that cannot be captured by other means; for example, when they are not included in the records for repairs. Some abnormal or particular conditions or events that could be kept under this requirement could be lightning strikes, hard landings, long-term storage, propeller or rotor over-speed, over-torque, impact on a main rotor blade, etc.

(j)The term ‘in-service history record’ embraces records from which the current status of life-limited parts can be determined. The ‘in-service history record’ template could be adjusted to the relevant characteristics of the life-limited part, e.g. an engine disk being different from a fire extinguisher squib or landing gear sliding tube.

Such records document each time a life-limited part is placed in service or removed from service. They should clearly:

(1)identify the part by its part number and serial number,

(2)show the date of installation and removal (i.e. date on/date off),

(3)show the details of the installation and removal (i.e. type, serial number, weight variant, thrust rating, as appropriate, of the aircraft, engine, engine module, or propeller) at installation and removal of the part when this is necessary to appropriately control the life limitation.

(4)Show the total in-service life accumulated in any applicable parameter, as appropriate, corresponding to the dates of installation and removal of the part.

Any other events that would affect the life limitation, such as an embodied modification (in accordance with airworthiness directives, service bulletins or any product improvements) that affects the life limitation or changes the limitation parameter, should also be included in the in-service history record. Not all modifications would necessarily be pertinent to the life limitation of the component. Additionally, if a parameter is not relevant to the life of the part, then that parameter does not need to be recorded.

(k)The term ‘permanently withdrawn from service’ refers to moving the aircraft or component to a location that is not used for storage and/or future return to service.

(l)The term ‘current status’ refers to the data which accurately establishes the level of compliance of an aircraft, engine, propeller or component thereof, with a requirement. Each status should:

(1)identify the aircraft, the engine, the propeller or the component it applies to;

(2)be dated; and

(3)include the relevant total in-service life accumulated in the applicable parameter on the date of the status.

AMC M.A.305(a) Aircraft continuing airworthiness record system

ED Decision 2020/002/R

CERTIFICATE OF RELEASE TO SERVICE

(a)The inclusion of the certificate of release to service in the aircraft continuing airworthiness record system means that the date and/or any applicable parameter at which the maintenance was performed, including a unique reference to the certificate of release to service, should be processed in the record system.

(b)For components with airworthiness limitations, this information should be found on the authorised release certificate (EASA Form 1 or equivalent). For life-limited parts, some relevant information required by M.A.305 may need to be introduced in the in-service history records.

AMC M.A.305(b)1 Aircraft continuing airworthiness record system

ED Decision 2020/002/R

IN-SERVICE LIFE FOR ENGINES, PROPELLERS AND APU’S

(a)Some gas turbine engines and propellers are assembled from modules and the total life accumulated in service for the complete engine or propeller may not be kept. When owners and operators wish to take advantage of the modular design, then the total life accumulated in service for each module, as well as in-service history if applicable, and detailed maintenance records for each module, should be maintained. The continuing airworthiness records as specified should be kept with the module and should show compliance with any mandatory requirements pertaining to that module.

(b)The recording of in-service life accumulation may be necessary also in other measurement units to ensure the continuing airworthiness of the aircraft. For example, a mandatory life limitation measured in cycles of auxiliary power unit (APU) usage may apply to some rotating parts. In such a case, APU cycles need to be recorded.

AMC M.A.305(c)1 Aircraft continuing airworthiness record system

ED Decision 2020/002/R

AIRWORTHINESS DIRECTIVES

(a)The current status of ADs, and measures mandated by the competent authority in immediate reaction to a safety problem, should identify the product/component, the applicable ADs including revision or amendment numbers and the date on which the status was updated. For the purpose of assessing the AD status, there is no need to list those ADs which are superseded or cancelled.

(b)If the AD is generally applicable to the aircraft or component type but is not applicable to the particular aircraft, engine, propeller or component, then this should be identified with the reason why it is not applicable.

(c)The current status of ADs should include the release to service date on which the AD or measure was accomplished (the date the certificate of release to service was issued), and where the AD or measure is controlled by flight hours and/or flight cycles and/or landings and/or any other applicable parameter, as appropriate, it should include the corresponding total life on that parameter accumulated in service on the date when the AD or measure was accomplished and/or the due limit in the appropriate parameter. For repetitive ADs or measures, only the last and next applications with the reference to the applicable parameter should be recorded in the current status.

(d)The status should also specify the method of compliance and which part of a multi-part AD or measure has been accomplished, where a choice is available in the AD or measure.

(e)The current status of AD should be sufficiently detailed to identify any loadable software aircraft part which is used for operating or controlling the aircraft.

(f)When the AD is multi-part or requests assessments of certain inspections, this information should be shown as well.

AMC M.A.305(c)2 Aircraft continuing airworthiness record system

ED Decision 2023/013/R

MODIFICATIONS AND REPAIRS

(a)Status of current modifications and repairs means a list compiled at aircraft level of modifications and repairs currently embodied. It should include the identification of the aircraft, engine(s) or propeller(s), as appropriate, and the date of the certificate of release to service when the modification or repair was accomplished. Where a modification or repair creates the need for the accomplishment of scheduled maintenance tasks, the reference to the applicable tasks should be added to the aircraft maintenance programme. The status should include the reference to the data in accordance with M.A.304 that provides the accomplishment procedure for the modification or repair. It should also specify which part of a multi-part modification or repair has been accomplished and the method of compliance, where a choice is available in the data.

(b)In addition to the previous applicable information, in respect to structure, the status of the current repairs should contain the description of the repair (e.g. doubler, blend, crack, dent, etc.), its location (e.g. reference to stringers, frames, etc.) and the dimensions. In the case of blend-out repairs, the remaining material should be recorded too.

(c)The status of modifications should be sufficiently detailed to identify any installed loadable software aircraft part used for operating or controlling the aircraft, the part number of which evolves independently of its associated aircraft hardware component, as identified in the maintenance data of the relevant design approval holder or the declarant of a declaration of design compliance.

Other loadable software parts, such as navigational data bases or entertainment systems, are not considered under this recording requirement.

(d)For the purpose of this point, a component replaced by a fully interchangeable alternate component is not considered a modification if this condition is published by the design approval holder or the declarant of a declaration of design compliance.

(e)The status of modifications and repairs should include engine(s), propeller(s) and components subject to mandatory instructions and associated airworthiness limitations, and it is not intended that it should be retained for other components.

GM M.A.305(c)(2) Aircraft continuing airworthiness record system

ED Decision 2020/002/R

IMPACT OF MODIFICATIONS AND REPAIRS

(a)The status of modifications and repairs may include the impact of a specific modification or repair in:

(1)embodiment instructions;

(2)mass and balance change data;

(3)maintenance and repair manual supplements;

(4)maintenance programme changes and instructions for continuing airworthiness; and/or

(5)aircraft flight manual supplements.

(b)When aircraft require a specific loadable software aircraft part configuration in order to operate correctly, a specific listing with this information may be necessary too.

AMC M.A.305(c)3 Aircraft continuing airworthiness record system

ED Decision 2020/002/R

AIRCRAFT MAINTENANCE PROGRAMME

(a)The current status of compliance with the aircraft maintenance programme means the last and next accomplishment data (referring to the applicable parameter) for the tasks specified in the maintenance schedule of the aircraft maintenance programme. It should include:

(1)an identifier specific enough to allow an easy and accurate identification of the task to be carried out, such as a task reference combined with a task title or short description of the work to be performed;

(2)the engine, propeller or component identification when the task is controlled at engine, propeller, or component level; and

(3)the date when the task was accomplished (i.e. the date the certificate of release to service was issued) and for repetitive tasks when it is next due time, as well as when the terminating action is performed.

(b)Where the task is controlled by flight hours and/or flight cycles and/or landings and/or calendar time and/or any other applicable parameter, the total in-service life accumulated by the aircraft, engine, propeller or component (as appropriate) in the suitable parameter(s) should also be included.

GM M.A.305(d) Aircraft continuing airworthiness record system

ED Decision 2023/013/R

LIFE-LIMITED PARTS AND TIME-CONTROLLED COMPONENTS

(a)A part is to be considered a life-limited part and a time-controlled component when it complies with both definitions given in paragraphs (c) and (e) of GM M.A.305. For example, the maintenance schedule of the aircraft maintenance programme may include both a mandatory permanent removal for a landing gear sliding tube and a periodic removal for overhaul of the landing gear (including the sliding tube).

(b)The following table provides a summary of the records’ requirements related to life-limited parts and time-controlled components:

Maintenance task from the maintenance schedule of the AMP

Type of component

Continuing airworthiness records

Mandatory instructions (and associated airworthiness limitations) in accordance with Part 21 or Part 21 Light affecting a component

Permanent removal (replacement)

Life-limited part

e.g.: engine HPT disc, landing gear sliding tube

Current status (M.A.305(d)(1));

In-service history record (M.A.305(e)(3)(i));

EASA Form 1 and detailed maintenance records for last scheduled maintenance and subsequent unscheduled maintenance (M.A.305(e)(3)(ii));

EASA Form 1 and detailed maintenance records for modifications and repairs (M.A.305(e)(2)(ii))

Periodic removal for maintenance in an appropriate approved workshop, e.g.:

Overhaul of horizontal stabiliser actuator or of a landing gear

Replacement of a U-joint (of a gearbox)

Time-controlled component

e.g.: horizontal stabiliser actuator, landing gear gearbox

Current status (M.A.305(d)(2));

EASA Form 1 and detailed maintenance records for last scheduled maintenance and subsequent unscheduled maintenance (M.A.305(e)(3)(ii)); and

EASA Form 1 and detailed maintenance records for modifications and repairs (M.A.305(e)(2)(ii)).

GM M.A.305(d)(2) Aircraft continuing airworthiness record system

ED Decision 2023/013/R

TASKS CONTROLLED AT COMPONENT LEVEL

(a)The maintenance schedule of the aircraft maintenance programme may include tasks controlled at component level coming from a mandatory requirement in accordance with Part 21 or Part 21 Light and to be performed in a workshop, such as:

(1)the removal of a component for periodic restoration to return the component to a specified standard (e.g. removal of the landing gear for overhaul);

(2)the periodic removal of a component for replacement of a sub-component by a new one when it is not possible to restore the item to a specific standard of failure resistance (e.g. discarding of universal joints of a gearbox, batteries of the escape slide/raft, discharge cartridges of fire extinguishers, etc.); and

(3)a periodic inspection or test to confirm that a component meets specified performance standards (e.g. functional check of the portable emergency locator transmitter, etc.). The component is left in service (no further maintenance action taken) on the condition that it continues to fulfil its intended purpose within specified performance limits until the next scheduled inspection.

The above tasks apply to ‘time-controlled components’ as defined in paragraph (e) of GM M.A.305. If a component affected by a task in accordance with (2) and (3) above is controlled at aircraft level by the aircraft maintenance programme and it has not been removed since the task was last accomplished, then its status of compliance with M.A.305(d)2 is already demonstrated by the aircraft records.

Note: The maintenance in accordance:

with (1) and (2) above assumes a predictable deterioration of the component: the overall reliability invariably decreases with age; and

with (3) assumes a gradual deterioration of the component: failure resistance can reduce and drop below a defined level.

(b)When a component is affected by a maintenance task contained in the aircraft maintenance programme (AMP) that is recommended by the design approval holder (DAH) or the declarant of a declaration of design compliance and controlled at component level, although such component does not qualify as a time-controlled component, the status of the component may be needed to show that all the maintenance due on the aircraft according to the aircraft maintenance programme has been carried out. There is no specific requirement to keep the EASA Form 1 or equivalent or any other detailed maintenance records.

(c)For aircraft maintenance programmes developed under a primary maintenance process-oriented methodology (e.g. Maintenance Steering Group), the term ‘time-controlled component’ pertains to ‘Hard Time’ and ‘On-Condition’. The primary maintenance processes are:

(1)Hard Time

This is a preventive process in which known deterioration of a component is limited to an acceptable level by the maintenance actions which are carried out at periods related to time in service (e.g. calendar time, number of cycles, number of landings). The prescribed actions restore the component utility margin to the applicable time limitation.

(2)On-Condition

It is a preventive process in which the component is inspected or tested, at specified periods, to an appropriate standard in order to determine whether it can continue in service. The purpose is to remove the component before its failure in service.

(3)Condition Monitoring

This is a process in which a parameter of a condition in a component (vibration, temperature, oil consumption, etc.) is monitored to identify the development of a fault. The purpose is to remove the component before its failure in service (e.g. due to related repair costs), but they are permitted to remain in service without preventive maintenance until a functional failure occurs.

Note: For components that are not subject to any of these primary maintenance processes, corrective maintenance is carried out after failure detection and is aimed at restoring components to a condition in which they can perform their intended function (‘fly-to failure’).

(d)The following table provides a summary of the records’ requirements related to components subjected to primary maintenance process, including components without an EASA Form 1 in accordance with point 21.A.307 (c) of Part 21 or point 21L.A.193(c) of Part 21 Light:

Primary maintenance process

Continuing airworthiness records

Life-limited part

Current status (M.A.305(d)(1));

In-service history record (M.A.305(e)(3)(i));

EASA Form 1 and detailed maintenance records for last scheduled maintenance and subsequent unscheduled maintenance (M.A.305(e)(3)(ii)), including modifications and repairs (M.A.305(e)(2)(ii)).

Time-controlled component

Hard time

Current status (M.A.305(d)(2));

EASA Form 1 and detailed maintenance records for last scheduled maintenance and subsequent unscheduled maintenance (M.A.305(e)(3)(ii)), including modifications and repairs (M.A.305(e)(2)(ii)).

On condition

Current status (M.A.305(d)(2)); and

EASA Form 1 and detailed maintenance records for last scheduled maintenance and subsequent unscheduled maintenance (M.A.305(e)(3)(ii))

If the task is controlled at aircraft level, the above information could be already contained in the records related to the aircraft maintenance programme (M.A.305(c)(3) and M.A.305(e)(2)(iii)). If the maintenance was performed off wing, the EASA Form 1 needs to be kept.

Condition monitoring

The EASA Form 1 does not need to be kept unless this is the means to fulfil another requirement; for example, an AD compliance.

ELA 2 aircraft : any component that is fitted without an EASA Form 1 in accordance with 21.A.307 (c) or 21L.A.193(c)

The certificate of release to service and owner’s acceptance statement (M.A.305(e)(3)(iii)).

AMC M.A.305(e) Aircraft continuing airworthiness record system

ED Decision 2020/002/R

INFORMATION TECHNOLOGY (IT) SYSTEMS AND FORM OF RECORDS

(a)The information that constitutes the aircraft continuing airworthiness records may be entered in an information technology (IT) system and/or documents equivalent in scope and detail.

IT systems acceptable for supporting the aircraft continuing airworthiness records should:

(1)include functions so that search of data and production of status is possible;

(2)allow a transfer of the aircraft continuing airworthiness records data from one system to another using an industry-wide/worldwide data format or allow printing information;

(3)contain safeguards which prevent unauthorised personnel from altering data; and

(4)ensure the integrity of the data, including traceability of amendments.

(b)‘Data equivalent in scope and detail’ are included in the airworthiness record system and could be an aircraft logbook, engine logbook(s) or engine module log cards, propeller logbook(s) and log cards for life-limited parts.

Any logbook/log card should contain:

(1)identification of the product or component it refers to;

(2)type, part number, serial number and registration, as appropriate, of the aircraft, engine, propeller, engine module, or component to which the component has been fitted in, along with the reference to the installation and removal;

(3)the date and the corresponding total in-service life accumulated in any applicable parameter unit, as appropriate; and

(4)any AD, modification, repair, maintenance or deferred maintenance tasks applicable.

When fulfilling the applicable requirements, a logbook/log card as described above could be a means to comply with the current status and the in-service history record for each life-limited part.

(c)Form of records

Producing and/or keeping continuing airworthiness records in a form acceptable to the competent authority normally means in either material/physical or electronic state, or a combination of both.

Retention of records should be done in one of the following formats:

(1)original paper document or electronic data (via an approved electronically signed form);

(2)a paper reproduction of a paper document (original or copy); or

(3)an electronic reproduction of electronic data (original or copy); or

(4)a printed reproduction of electronic data (original or copy); or

(5)an electronically digitised reproduction of a paper document (original or copy); or

(6)a microfilm or scanned reproduction copy of a paper document (original or copy).

Where IT systems are used to retain documents and data, it should be possible to print a paper version of the documents and data kept.

(d)Physical (non-digitised) records

All physical records should remain legible throughout the required retention period. Physical records on either paper or microfilm systems should use robust material, which can withstand normal handling, filing and ageing. They should be stored in a safe way with regard to damage, alteration and theft.

(e)Digitised records

Digitised records may be created from a paper document (original or copy) or from electronic data.

When created from a paper document:

(1)the creation date of the digitised record should be stored with the digitised record;

(2)it is advisable to create an individual digitised record for each document;

(3)if an organisation creates a large number of digitised records, the use of database technology should ease the future retrieval of the record; and

(4)digitised records should be legible, including details such as, but not limited to, the date of signature, names, stamps, notes, or drawings.

(f)Digitised record retention

Digitised records when created from an original paper record, or as a digital electronic original, should be stored on a system which is secured and kept in an environment protected from damage (e.g. fire, flooding, excessive temperature or accidental erasing). IT systems should have at least one backup system, which should be updated at least within 24 hours of any entry in the primary system. Access to both primary and backup systems is required to be protected against the ability of unauthorised personnel to alter the database and they should preferably be located remotely from the main system.

The system used for retention of digitised records should:

(1)ensure the integrity, accuracy and completeness of the record;

(2)ensure that access to the digitised record has safeguards against alteration of the data;

(3)ensure the authenticity of the record including assurance that the date has not been modified after creation;

(4)be capable of retrieving individual records within a reasonable time period; and

(5)be maintained against technological obsolescence which would prevent printing, displaying or retrieval of the digitised records.

Computer backup discs, tapes etc. should be stored in a different location from that containing the current working discs, tapes, etc. and in a safe environment.

Where the competent authority has accepted a system for digitised record-keeping satisfying the above, the paper document may be permanently disposed of.

(g)Lost or destroyed records

Reconstruction of lost or destroyed records can be done by reference to other records which reflect the time in service, research of records maintained by maintenance organisations and reference to records maintained by individual mechanics, etc. When reconstruction has been done and the record is still incomplete, the owner/operator may make a statement in the new record describing the loss and establishing the time in service based on the research and the best estimate of time in service. The reconstructed records should be submitted to the competent authority for acceptance. The competent authority may require the performance of additional maintenance if not satisfied with the reconstructed records.

AMC M.A.305(e)(1) Aircraft continuing airworthiness record system

ED Decision 2020/002/R

This retention period of 36 months could be extended in the case of an entry in the technical log system requiring an additional period of retention as defined in Part-M.

AMC M.A.305(e)(2) Aircraft continuing airworthiness record system

ED Decision 2020/002/R

(a)EASA Form 1 and the Certificate of Conformity of the components used to perform a modification/repair are not part of the substantiation data for a modification/repair. These certificates are retained by the maintenance organisation.

(b)In the case of an AD with several steps or with intermediate assessments during its application, these intermediate steps should be part of the detailed maintenance records.

GM M.A.305(e)(2) Aircraft continuing airworthiness record system

ED Decision 2020/002/R

‘Until such time as the information contained therein is superseded by new information equivalent in scope and detail but not shorter than 36 months’ means that during a maximum of 36 months the information and the one superseding it will be kept but, after these 36 months, only the new information must be kept.

For example, for a maintenance task with an interval shorter than 36 months, more than one set of information equivalent in scope and detail should be retained. If the maintenance task interval is longer than 36 months, the last set of information equivalent in scope and detail is retained.

AMC M.A.305(e)(3) Aircraft continuing airworthiness record system

ED Decision 2023/013/R

(a)An EASA Form 1 and detailed maintenance records are not required to be kept to support every installation/removal shown in the in-service history records.

(b)Conservative methods to manage missing historical periods are acceptable to establish the current status of the life-limited part. In the case of use of a conservative method, the supporting documents should be endorsed. Recommendations from the design approval holder or the declarant of a declaration of design compliance on the procedures to record or reconstruct the in-service history should be considered.

GM M.A.305(e)(3) Aircraft continuing airworthiness record system

ED Decision 2020/002/R

(a)EASA Form 1 or equivalent is not required to be kept for the ‘condition monitoring’ process of components unless this is the means to fulfil another requirement quoted in M.A.305 (e.g. demonstration of AD compliance).

(b)For components that are not subject to any of the primary maintenance processes described in the GM M.A.305(d)(2) (i.e. Hard Time, On-Condition, Condition Monitoring), the EASA Form 1 or equivalent is not required to be kept.

AMC M.A.305(f) Aircraft continuing airworthiness record system

ED Decision 2020/002/R

When the owner or organisation responsible for the aircraft continuing airworthiness arranges for the relevant maintenance organisation to retain copies of the continuing airworthiness records on their behalf, the owner or organisation responsible for the aircraft continuing airworthiness will continue to be responsible for the retention of records. If they cease to be the owner or organisation responsible for the aircraft continuing airworthiness of the aircraft, they also remain responsible for transferring the records to the new owner or organisation.

M.A.306 Aircraft technical log system

Regulation (EU) 2020/270

(a)In addition to the requirements of point M.A.305, for CAT, commercial specialised operations and commercial ATO or commercial DTO operations, the operator shall use a technical log system containing the following information for each aircraft:

1.information about each flight, necessary to ensure continued flight safety, and;

2.the current aircraft certificate of release to service, and;

3.the current maintenance statement giving the aircraft maintenance status of what scheduled and out of phase maintenance is next due except that the competent authority may agree to the maintenance statement being kept elsewhere, and;

4.all outstanding deferred defects rectifications that affect the operation of the aircraft, and;

5.any necessary guidance instructions on maintenance support arrangements.

(b)The initial issue of aircraft technical log system shall be approved by the competent authority specified in point CAMO.A.105 of Annex Vc (Part-CAMO), or point M.1 of this Annex (Part-M) or point CAO.1(1) of Annex Vd (Part-CAO), as applicable. Any subsequent amendment to that system shall be managed in accordance with point CAMO.A.300(c), or points M.A.704(b) and (c), or point CAO.A.025(c).

AMC M.A.306(a) Aircraft technical log system

ED Decision 2020/002/R

CONTENT OF INFORMATION ON THE ATL SYSTEM

For CAT operations, commercial specialised operations and commercial ATO or commercial DTO operations, the aircraft technical log is a system for recording defects and malfunctions during the aircraft operation and for recording details of all maintenance carried out on an aircraft between scheduled base maintenance visits. In addition, it is used for recording flight safety and maintenance information the operating crew need to know.

Cabin or galley defects and malfunctions that affect the safe operation of the aircraft or the safety of its occupants are regarded as forming part of the aircraft log book where recorded by another means.

The aircraft technical log system may range from a simple single section document to a complex system containing many sections but in all cases it should include the information specified for the example used here which happens to use a 5 section document / computer system:

Section 1 should contain details of the registered name and address of the operator the aircraft type and the complete international registration marks of the aircraft.

Section 2 should contain details of when the next scheduled maintenance is due, including, if relevant any out of phase component changes due before the next maintenance check. In addition this section should contain the current certificate of release to service (CRS), for the complete aircraft, issued normally at the end of the last maintenance check.

NOTE: The flight crew do not need to receive such details if the next scheduled maintenance is controlled by other means acceptable to the competent authority.

Section 3 should contain details of all information considered necessary to ensure continued flight safety. Such information includes:

(i)the aircraft type and registration mark,

(ii)the date and place of take-off and landing,

(iii)the times at which the aircraft took off and landed,

(iv)the running total of flying hours, such that the hours to the next schedule maintenance can be determined. The flight crew does not need to receive such details if the next scheduled maintenance is controlled by other means acceptable to the competent authority.

(v)details of any failure, defect or malfunction to the aircraft affecting airworthiness or safe operation of the aircraft including emergency systems, and any failure, defect or malfunctions in the cabin or galleys that affect the safe operation of the aircraft or the safety of its occupants that are known to the commander. Provision should be made for the commander to date and sign such entries including, where appropriate, the nil defect state for continuity of the record. Provision should be made for a CRS following rectification of a defect or any deferred defect or maintenance check carried out. Such a certificate appearing on each page of this section should readily identify the defect(s) to which it relates or the particular maintenance check as appropriate.

In the case of maintenance performed by a Part-145 maintenance organisation, it is acceptable to use an alternate abbreviated certificate of release to service consisting of the statement ‘Part-145 release to service’ instead of the full certification statement specified in AMC 145.A.50(b) paragraph 1. When the alternate abbreviated certificate of release to service is used, the introductory section of the technical log should include an example of the full certification statement from AMC 145.A.50(b) paragraph 1.

(vi)the quantity of fuel and oil uplifted and the quantity of fuel available in each tank, or combination of tanks, at the beginning and end of each flight; provision to show, in the same units of quantity, both the amount of fuel planned to be uplifted and the amount of fuel actually uplifted; provision for the time when ground de-icing and/or anti-icing was started and the type of fluid applied, including mixture ratio fluid/water and any other information required by the operator's procedures in order to allow the assessment on whether inspections for and/or elimination of de-icing/anti-icing fluid residues that could endanger flight safety are required.

(vii)the pre-flight inspection signature.

In addition to the above, it may be necessary to record the following supplementary information:

the time spent in particular engine power ranges where use of such engine power affects the life of the engine or engine module;

the number of landings where landings affect the life of an aircraft or aircraft component;

flight cycles or flight pressure cycles where such cycles affect the life of an aircraft or aircraft component.

NOTE 1: Where Section 3 is of the multi-sector ‘part removable’ type, then such ‘part removable’ sections should contain all of the foregoing information where appropriate.

NOTE 2: Section 3 should be designed so that one copy of each page may remain on the aircraft and one copy may be retained on the ground until completion of the flight to which it relates.

NOTE 3: Section 3 layout should be divided to show clearly what is required to be completed after flight and what is required to be completed in preparation for the next flight.

Section 4 should contain details of all deferred defects that affect or may affect the safe operation of the aircraft and should therefore be known to the aircraft commander. Each page of this section should be pre-printed with the operator’s name and page serial number and make provision for recording the following:

(i)a cross reference for each deferred defect such that the original defect can be identified in the particular section 3 sector record page.

(ii)the original date of occurrence of the defect deferred.

(iii)brief details of the defect.

(iv)details of the eventual rectification carried out and its CRS or a clear cross-reference back to the document that contains details of the eventual rectification.

Section 5 should contain any necessary maintenance support information that the aircraft commander needs to know. Such information would include data on how to contact maintenance if problems arise whilst operating the routes etc.

AMC M.A.306(b) Aircraft technical log system

ED Decision 2016/011/R

The aircraft technical log system can be either a paper or computer system or any combination of both methods acceptable to the competent authority.

In case of a computer system, it should contain programme safeguards against the ability of unauthorised personnel to alter the database.

GM1 M.A.306(b) Aircraft technical log system

ED Decision 2022/017/R

INTEROPERABLE AIRCRAFT TECHNICAL LOG SYSTEM

If a CAMO is contracted (in accordance with point M.A.201(ea)) by operators that form part of a single air carrier business grouping and intend to regularly transfer aircraft from one AOC holder to another within the group, the CAMO is expected to ensure that:

there is an interoperable aircraft technical log system for all associated operators; and

common data formats and data exchange are defined.

M.A.307 Transfer of aircraft continuing airworthiness records

Regulation (EU) 2019/1383

(a)When an aircraft is permanently transferred from one owner or operator to another, the transferring owner or operator shall ensure that the continuing airworthiness records referred to in point M.A.305 and, if applicable the technical log system referred to in point M.A.306, are also transferred.

(b)When the owner contracts the continuing airworthiness management tasks to a CAMO or CAO, the owner shall ensure that the continuing airworthiness records referred to in point M.A.305 are transferred to that contracted organisation.

(c)The time periods for the retention of records set out in point (e) of point M.A.305 shall continue to apply to the new owner, operator, CAMO or CAO.

AMC M.A.307(a) Transfer of aircraft continuing airworthiness records

ED Decision 2015/029/R

Where an owner/operator terminates his operation, all retained continuing airworthiness records should be passed on to the new owner/operator or stored.

A ‘permanent transfer’ does not generally include the dry lease-out of an aircraft when the duration of the lease agreement is less than 6 months. However the competent authority should be satisfied that all continuing airworthiness records necessary for the duration of the lease agreement are transferred to the lessee or made accessible to them.

SUBPART D — MAINTENANCE STANDARDS

M.A.401 Maintenance data

Regulation (EU) 2022/1360

(a)The person or organisation maintaining an aircraft shall have access to and use only applicable current maintenance data in the performance of maintenance including modifications and repairs.

(b)For the purposes of this Annex, applicable maintenance data is any of the following:

(1)any applicable requirement, procedure, standard or information issued by the competent authority or the Agency;

(2)any applicable airworthiness directive;

(3)the applicable instructions for continuing airworthiness and other maintenance instructions, issued by the type-certificate holder, supplemental type-certificate holder, a declarant of a declaration of design compliance and any other organisation that publishes such data in accordance with Annex I (Part 21) or, as applicable, Annex Ib (Part 21 Light) to Regulation (EU) No 748/2012;

(4)for components approved for installation by the design approval holder or declarant of a declaration of design compliance, the applicable maintenance instructions published by the component manufacturers and acceptable to the design approval holder or declarant of a declaration of design compliance;

(5)any applicable data issued in accordance with point 145.A.45(d).

(c)The person or organisation maintaining an aircraft shall ensure that all applicable maintenance data is current and readily available for use when required. The person or organisation shall establish a work card or worksheet system to be used and shall either transcribe accurately the maintenance data onto such work cards or worksheets or make precise reference to the particular maintenance task or tasks contained in such maintenance data.

GM1 M.A.401(b)(3) and (b)(4) Maintenance data

ED Decision 2023/013/R

(a)The maintenance data referred to in M.A.401(b)(3) and (4) may have been prepared by various organisations, but in any case it needs to be issued by, referenced by, or acceptable to the organisation responsible for the design in accordance with Part 21 or Part 21 Light (e.g. type certificate holder (TCH), supplemental type certificate holder (STCH), ETSO holder, repair design approval holder or declarant of a declaration of design compliance).

(b)Depending on the product or component subject to maintenance and depending on how this maintenance is released, different maintenance data may be needed during the performance of maintenance.

(c)With respect to aircraft maintenance, applicable maintenance data issued by the aircraft TCH or the design approval holder (DAH) typically includes the following documents: manufacturer recommended maintenance programme (e.g. MPD, MRBR), aircraft maintenance manual including the airworthiness limitations section, repair manual, supplemental structural inspection document, corrosion prevention and/or control document, service bulletins, wiring diagram manuals, troubleshooting manual, service letter/instructions, illustrated parts catalogue, and any other specific maintenance instruction issued by the aircraft TCH or by the DAH.

(d)With respect to engine maintenance, applicable maintenance data typically includes the engine maintenance and/or overhaul manual including the airworthiness limitations section, wiring diagrams, parts catalogue, troubleshooting manual issued by the engine TCH (or aircraft TCH if the engine is certified as part of the aircraft), the DAH or by the declarant of a declaration of design compliance.

With respect to APU maintenance, applicable maintenance data typically includes APU maintenance and/or overhaul manual, wiring diagrams, parts catalogue, troubleshooting manual issued by the aircraft TCH, or issued by the APU manufacturer and acceptable to the TCH of the aircraft on which it is installed or to the DAH.

When in compliance with M.A.502(b), it is possible to conduct maintenance on the engine or APU while installed on the aircraft or temporarily removed to gain access. In such case, the applicable maintenance data may also include aircraft maintenance data.

(e)With respect to maintenance of components other than engine/APU, applicable maintenance data typically includes the component maintenance (and/or repair) manual, troubleshooting manual and other maintenance instructions produced by the component manufacturer, when they are acceptable to the TCH of the product in which the component is to be installed, to the DAH or to the declarant of a declaration of design compliance, or when they form part of (or are referenced together with) the product’s ICA. In the case of propellers, maintenance data includes its ICA.

When in compliance with M.A.502(b) or M.A.502(c), it is possible to conduct maintenance on the component while installed on the aircraft or engine or APU, or temporarily removed to gain access. In such case, the applicable maintenance data may also include, as applicable, aircraft maintenance data or engine/APU maintenance data.

(f)With respect to maintenance considered to be specialised services (such as non-destructive testing (NDT)), applicable maintenance data typically includes non-destructive testing or inspection manual, and all applicable specialised service(s) process instructions issued or specified by the DAH or the declarant of a declaration of design compliance.

GM1 M.A.401(b)(4) Maintenance data

ED Decision 2023/013/R

COMPONENT MANUFACTURER MAINTENANCE INSTRUCTIONS

The maintenance instructions published by the component manufacturers may be considered acceptable to the DAH or to the declarant of a declaration of design compliance – and hence may be used as maintenance data for maintenance on components approved for installation by the DAH or the declarant of a declaration of design compliance – when they are referenced as additional or optional maintenance information together with the ICA, or when documented by a list by that DAH (GM3 21.A.7(a)) or GM3 21L.A.9(a)) or that declarant of a declaration of design compliance (GM3 21L.A.9(a)).

AMC M.A.401(c) Maintenance data

ED Decision 2015/029/R

1.Data being made available to personnel maintaining aircraft means that the data should be available in close proximity to the aircraft or component being maintained, for mechanics and certifying staff to perform maintenance.

2.Where computer systems are used, the number of computer terminals should be sufficient in relation to the size of the work programme to enable easy access, unless the computer system can produce paper copies. Where microfilm or microfiche readers/printers are used, a similar requirement is applicable.

3.Maintenance tasks should be transcribed onto the work cards or worksheets and subdivided into clear stages to ensure a record of the accomplishment of the maintenance task. Of particular importance is the need to differentiate and specify, when relevant, disassembly, accomplishment of task, reassembly and testing. In the case of a lengthy maintenance task involving a succession of personnel to complete such task, it may be necessary to use supplementary work cards or worksheets to indicate what was actually accomplished by each individual person. A worksheet or work card system should refer to particular maintenance tasks.

4.The workcard/worksheet system may take the form of, but is not limited to, the following:

a format where the mechanic writes the defect and the maintenance action taken together with information of the maintenance data used, including its revision status,

an aircraft log book that contains the reports of defects and the actions taken by authorised personnel together with information of the maintenance data used, including its revision status,

for maintenance checks, the checklist issued by the manufacturer (i.e., 100H checklist, Revision 5, Items 1 through 95)

5.Maintenance data should be kept up to date by:

subscribing to the applicable amendment scheme,

checking that all amendments are being received,

monitoring the amendment status of all data.

M.A.402 Performance of maintenance

Regulation (EU) 2015/1536

Except for maintenance performed by a maintenance organisation approved in accordance with Annex II (Part-145), any person or organisation performing maintenance shall:

(a)be qualified for the tasks performed, as required by this part;

(b)ensure that the area in which maintenance is carried out is well organised and clean in respect of dirt and contamination;

(c)use the methods, techniques, standards and instructions specified in the M.A.401 maintenance data;

(d)use the tools, equipment and material specified in the M.A.401 maintenance data. If necessary, tools and equipment shall be controlled and calibrated to an officially recognised standard;

(e)ensure that maintenance is performed within any environmental limitations specified in the M.A.401 maintenance data;

(f)ensure that proper facilities are used in case of inclement weather or lengthy maintenance;

(g)ensure that the risk of multiple errors during maintenance and the risk of errors being repeated in identical maintenance tasks are minimised;

(h)ensure that an error capturing method is implemented after the performance of any critical maintenance task; and

(i)carry out a general verification after completion of maintenance to ensure the aircraft or component is clear of all tools, equipment and any extraneous parts or material, and that all access panels removed have been refitted.

AMC M.A.402(a) Performance of maintenance

ED Decision 2016/011/R

1.Maintenance should be performed by persons authorised to issue a certificate of release to service or under the supervision of persons authorised to issue a certificate of release to service. Supervision should be to the extent necessary to ensure that the work is performed properly and the supervisor should be readily available for consultation.

2.The person authorised to issue a certificate of release to service should ensure that:

(a)each person working under his/her supervision has received appropriate training or has relevant previous experience and is capable of performing the required task; and

(b)each person who performs specialised tasks, such as welding, is qualified in accordance to an officially recognised standard.

GM M.A.402(a) Performance of maintenance

ED Decision 2016/011/R

In the case of limited Pilot-owner maintenance, as specified in M.A.803, any person maintaining an aircraft which they own individually or jointly, provided they hold a valid pilot licence with the appropriate type or class rating, may perform the limited Pilot-owner maintenance tasks in accordance with Appendix VIII to Annex I (Part-M) to Regulation (EU) No 1321/2014.

AMC M.A.402(c) Performance of maintenance

ED Decision 2016/011/R

The general maintenance and inspection standards applied to individual maintenance tasks should meet the recommended standards and practices of the organisation responsible for the type design, which are normally published in maintenance manuals. In the absence of maintenance and inspection standards published by the organisation responsible for the type design, maintenance personnel should refer to the relevant aircraft airworthiness standards and procedures published or used as guidance by the Agency or the competent authority. The maintenance standards used should contain methods, techniques and practices acceptable to the Agency or the competent authority for the maintenance of aircraft and its components.

AMC M.A.402(d) Performance of maintenance

ED Decision 2016/011/R

When performing maintenance, personnel are required to use the tools, equipment and test apparatuses necessary to ensure completion of work in accordance with accepted maintenance and inspection standards. Inspection, service or calibration that is performed on a regular basis should be performed in accordance with the equipment manufacturers’ instructions. All tools requiring calibration should be traceable to an acceptable standard.

In this context, ‘officially recognised standards’ means those standards established or published by an official body, being either a natural or legal person, and which are widely recognised by the air transport sector as constituting good practice.

If the organisation responsible for the type design involved recommends special equipment or test apparatuses, personnel should use the recommended equipment or apparatuses or equivalent equipment accepted by the competent authority.

All work should be performed using materials of such quality and in such a manner that the condition of the aircraft or its components after maintenance is at least equal to its or their original or modified condition (with regard to aerodynamic function, structural strength, resistance to vibration, deterioration and any other qualities affecting airworthiness).

AMC M.A.402(e) Performance of maintenance

ED Decision 2016/011/R

The working environment should be appropriate for the maintenance task being performed such that the effectiveness of personnel is not impaired.

(a)Temperature should be maintained such that personnel can perform the required tasks without undue discomfort.

(b)Airborne contamination (e.g. dust, precipitation, paint particles, filings) should be kept to a minimum to ensure aircraft/components surfaces are not contaminated, if this is not possible all susceptible systems should be sealed until acceptable conditions are re-established.

(c)Lighting should be adequate to ensure each inspection and maintenance task can be performed effectively.

(d)Noise levels should not be allowed to rise to the level of distraction for inspection staff or if this is not possible inspection staff should be provided with personnel equipment to reduce excessive noise.

AMC M.A.402(f) Performance of maintenance

ED Decision 2016/011/R

Facilities should be provided appropriate for all planned maintenance. This may require aircraft hangars that are both available and large enough for the planned maintenance.

Aircraft component workshops should be large enough to accommodate the components that are planned to be maintained.

Protection from inclement weather means the hangar or component workshop structures should be to a standard that prevents the ingress of rain, hail, ice, snow, wind and dust etc.

AMC M.A.402(g) Performance of maintenance

ED Decision 2016/011/R

(a)To minimise the risk of multiple errors and to prevent omissions, the person or organisation performing maintenance should ensure that:

(1)every maintenance task is signed off only after completion;

(2)the grouping of tasks for the purpose of sign-off allows critical steps to be clearly identified; and

(3)any work performed by personnel under supervision (i.e. temporary staff, trainees) is checked and signed off by an authorised person.

(b)To minimise the possibility of an error being repeated in identical tasks that involve removal/installation or assembly/disassembly of several components of the same type fitted to more than one system, whose failure could have an impact on safety, the person or organisation performing maintenance should plan different persons to perform identical tasks in different systems. However, when only one person is available, then this person should perform reinspection of the tasks as described in AMC2 M.A.402(h).

AMC1 M.A.402(h) Performance of maintenance

ED Decision 2016/011/R

CRITICAL MAINTENANCE TASKS

The following maintenance tasks should primarily be reviewed to assess their impact on safety:

(a)tasks that may affect the control of the aircraft, flight path and attitude, such as installation, rigging and adjustments of flight controls;

(b)aircraft stability control systems (autopilot, fuel transfer);

(c)tasks that may affect the propulsive force of the aircraft, including installation of aircraft engines, propellers and rotors; and

(d)overhaul, calibration or rigging of engines, propellers, transmissions and gearboxes.